Los 15 inventos de Thomas Edison que Cambiaron el Mundo
Categorias: Historia | Tecnología
Por Pictolic https://mail.pictolic.com/es/article/los-15-inventos-de-thomas-edison-que-cambiaron-el-mundo1.htmlEl 11 de febrero de 1847, Thomas Alva Edison nació en Milan, Ohio, un inventor, científico y empresario increíblemente exitoso que recibió 1,093 patentes durante su vida.
Edison registró su primera patente a la edad de 22 años. Más tarde, en su laboratorio en Menlo Park, Nueva Jersey, trabajó tan productivamente como" hot cakes " creando novedades revolucionarias que una vez prometió emitir un pequeño invento cada 10 días y uno grande cada seis meses. Y aunque muchos de los descubrimientos que se le atribuyen fueron creados por otras personas, en cualquier caso, Edison jugó un papel importante en la configuración del mundo moderno. Y hoy recordamos los logros técnicos más importantes del ingeniero estadounidense, que tuvieron el mayor impacto en el mundo moderno.

1. Contador de votos eléctrico en elecciones.
Fue la primera patente de Edison. El dispositivo permitió a los votantes presionar los botones" sí "o" no " en lugar de escribir en papel. Desafortunadamente, no hubo demanda de este dispositivo; resultó que, al usarlo, los políticos ya no podían engañar tan descaradamente a los presentes y, al manipular los resultados, persuadir a los colegas para que cambiaran de opinión. El Parlamento abandonó la invención en favor del relato escrito habitual.
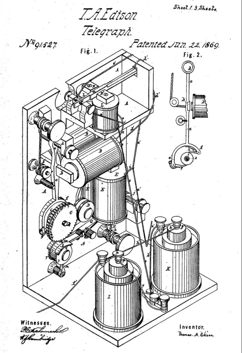
2. Telégrafo automático.
Para mejorar el telégrafo, Edison creó otro, basado en el boro perforado que él mismo inventó — para el cual no se necesitaba una persona para escribir un mensaje en el otro extremo. Esta nueva tecnología ha aumentado el número de palabras transmitidas por minuto de 25-40 a 1000! Edison también se convirtió en el inventor del"telégrafo parlante".
3. Valla eléctrica.
El predecesor del boro perforado, que hacía agujeros en los telégrafos, era un taladro eléctrico, creando una plantilla para el escritor, que podía usarse para estampar tinta en papel y hacer duplicados.
4. Fonógrafo.
El fonógrafo grabó y reprodujo los sonidos audibles primero con papel de parafina, y luego con una lámina de metal en el cilindro. Edison creó muchas versiones durante varios años, mejorando cada uno de los modelos cada vez más.
5. Teléfono de carbón.
Edison perfeccionó el punto débil del teléfono de Alexander Bell: el micrófono. La versión original usaba una varilla de carbono, pero Edison decidió usar una batería de carbono, lo que aumentó significativamente la estabilidad y el alcance de la señal.
6. Lámpara incandescente con filamento de carbono.
La lámpara incandescente Edison con filamento de carbono representó la primera fuente comercialmente rentable de iluminación eléctrica. Las versiones anteriores no eran tan potentes y para su fabricación se utilizaron materiales demasiado caros, como el platino.
7. Sistema de iluminación eléctrica.
Edison diseñó su sistema de iluminación eléctrica para mantener la misma cantidad de electricidad en todo el dispositivo. Instaló su primera estación permanente en el Bajo Manhattan.
8. Generador eléctrico.
Edison diseñó un dispositivo para controlar el suministro de electricidad entre dispositivos; esta idea se utilizó en muchas de sus creaciones, como una lámpara incandescente.
9. Motógrafo (teléfono con altavoz).
Este dispositivo redujo las corrientes eléctricas de mayor a menor, lo que hizo posible transmitir sonidos de voz a largas distancias y a un volumen más alto. Otro invento de Edison, el reóstato de carbono, ayudó a crear el motógrafo. El teléfono con altavoz de Edison se utilizó en Inglaterra durante varios años.
10. Tecnología de uso de pilas de combustible.
Edison se convirtió en uno de los muchos inventores de una larga cadena que intentaron crear una pila de combustible moderna, un dispositivo que produjera energía a partir de la reacción entre hidrógeno y oxígeno, dejando solo agua como subproducto.
11. Impresora universal.
Aunque Edison no inventó la máquina telegráfica de intercambio, mejoró su propia tecnología telegráfica para crear una impresora universal que funcionaba más rápido que la versión existente.
12. Separador magnético de mineral de hierro.
Edison diseñó un dispositivo que separaba materiales magnéticos y no magnéticos. De esta manera, fue posible separar el mineral de hierro de los minerales inadecuados de baja ley. Este desarrollo más tarde formó la base de la tecnología de molienda.
13. Kinetoscopio.
Edison estaba buscando una manera de crear " un instrumento que haga por el ojo lo que un fonógrafo hace por el oído."El cinetoscopio mostraba fotos en rápida sucesión, lo que hacía que pareciera que la imagen se estaba moviendo.
14. Pila alcalina.
Al experimentar con una batería de hierro y níquel, Edison utilizó una solución alcalina, lo que hizo posible obtener una batería más "duradera". Este producto se convirtió posteriormente en uno de los más vendidos.
15. Cemento.
Aunque el cemento ya existía, Edison perfeccionó su producción con un horno rotatorio. Los desarrollos del inventor, así como su propia compañía Edison Portland Cement, hicieron que este producto estuviera disponible comercialmente.
Artículos Recientes
La vida está llena de sorpresas, lo principal es mantener los ojos abiertos para no perdérselos. Y para los más atentos, hay una ...
Este proyecto lleno de deseo sexual y diversas dinámicas de energía. Mirar a las mujeres a través de los ojos de una mujer, ...

A veces la historia parece jugarnos a enigmas. Hojeas fotos antiguas y de repente te quedas paralizado: ¡es una réplica exacta de ...